万科物业小区人员配置情况


上海市中大九里德小区
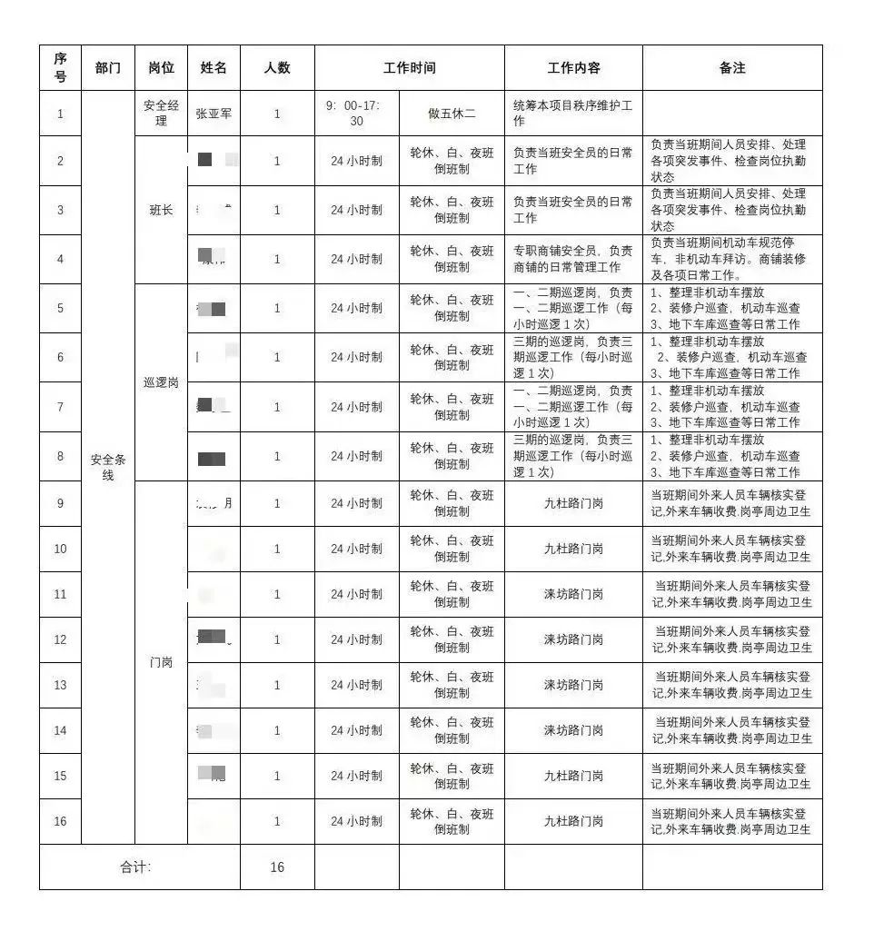
万科物业人员配置

中大九里德小区总占地面积约25万平方米,总建筑面积约23万平方米。整体容积率仅为0.9,绿化率约46%。由小高层、联排别墅、商业街区组成。








好文回顾
1各位业主,请文明使用下水管道!
2 “交了物业费,物业为我家干了什么?”
【3堵小区大门是违法行为,将受到法律严惩!
【4】物业公司是否有权处理小区里的“僵尸车”?
【5】物业公司2024年度防汛应急演练方案


物业人都需要的一本证书


1、免费下载 物业保洁作业规范和品控、基本知识培训


2、免费下载 物业经理必备—管理手册


3、免费下载 物业服务早期介入


4、免费下载 高层建筑消防安全隐患PPT培训课件


5、免费下载 实用干货!物业工程师手册


6、免费下载 实用!物业管理制度与岗位职责


7、免费下载 物业服务标书大全—96个标书


8、免费下载 |  物业公司之精益管理【含各部门工作流程、应急预案】


9、免费下载 物业服务各类合同大全【32套】


10、免费下载 物业服务礼仪标准培训PPT


11、免费下载 【干货PPT】物业管理培训课程


12、免费下载 商场、超市保洁服务手册、方案、合同、标准


13、免费下载 办公大楼物业管理服务投标书


14、免费下载 标杆物业管理培训课件—现场管理


15、免费下载 物业装修管理培训PPT(含常用表格文件)


16、免费下载 物业员工服务礼仪及沟通技巧培训课件 


17、免费下载 万科物业全套作业指导文件


18、免费下载 物业公司创优材料申报


19、免费下载 商务写字楼物业管理投标文件


20、免费下载 万科物业职能管理体系文件【45个】


21、免费下载 《 民法典 》高空抛物PPT课件大全


22、免费下载 物业防汛大全(含各类应急预案、温馨提示、总结、提示语)


23、免费下载 物业标准管理大全(含住宅小区、高层、写字楼管理、业主公约)

  微信 |电话:199 0636 8688 王老师

  微信 |电话:188 0636 7288 李老师

全国客户服务热线:400 8899 681

扫描二维码加我微信

点击阅读原文”百部免费物业资料

扫码免费用

源码支持二开

申请免费使用

在线咨询